全国统一服务热线
13812179207
title
您的位置:首页 > 产品中心 > 码垛机器人

码垛机器人

MR 500莱柯机器人

产品概述: 满足各种需求的工业机器人,满足自动化装置不断提升的需求.跟踪剧烈动作,负载变动,实时掌握电动机动态

  • 产品详情
  • 产品参数

    image.png

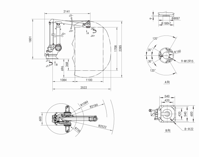
    MR 500S 外形尺寸及动作范围单位:mm


    名称

    MR500S


    J1轴(旋转)

    113%

    结构

    垂直多关节型

    J2轴(大臂)

    105%

    自由度

    4

    J3轴(小臂)

    105%

    负载质量

    500Kg


    J4轴(腕部)

    315%

    本体重量

    790Kg



    温度

    0~+40°C

    重复定位精度

    ±0.5mm



    湿度

    10~80%RH (无结露)

    平均功率

    5.5Kw

    工作


    振动

    4.9m/s2(0.5G)以下


    J1轴(旋转)

    -170°~ + 170°

    条件



    无腐蚀性气体、液体接触

    J2轴(大臂)

    0°~ + 125°



    其他

    无异物浸入

    J3轴(小臂)

    -115°~ + 15°




    远离强电(磁)场等


    J4轴(腕部)

    -360°~ + 360°

    噪音

    75dB

    image.png

上一篇:MR 350 莱柯机器人

下一篇:没有了!