产品概述: 满足各种需求的工业机器人,满足自动化装置不断提升的需求.跟踪剧烈动作,负载变动,实时掌握电动机动态

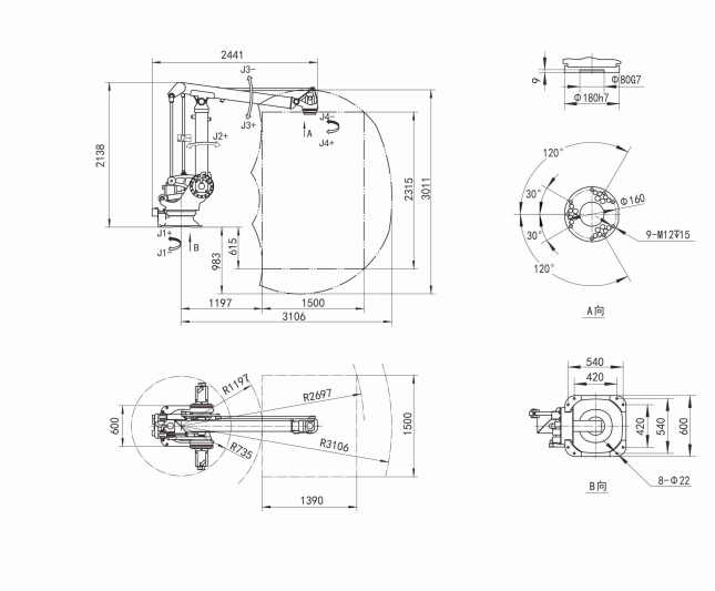
MR 350 外形尺寸及动作范围单位:mm
名称 | MR350 | J1轴(旋转) | 113% | |||
结构 | 垂直多关节型 | 最 大 | J2轴(大臂) | 105% | ||
自由度 | 4 | 速 度 | J3轴(小臂) | 105% | ||
负载质量 | 350Kg | J4轴(腕部)[ | 315% | |||
本体重量 | 815Kg | 温度 | 0~+40°C | |||
重复定位精度 | ±0.5mm | 湿度 | 10~80%RH (无结露) | |||
平均功率 | 4.8Kw | 工作 | 振动 | 4.9m/s2(0.5G)以下 | ||
J1轴(旋转) | -170°~ + 170° | 条件 | 无腐蚀性气体、液体接触 | |||
动 作 | J2轴(大臂) | 0°~ + 125° | 其他 | 无异物浸入 | ||
范 围 | J3轴(小臂) | -115°~ + 15° | 远离强电(磁)场等 | |||
J4轴(腕部) | -360°~ + 360° | 噪音 | 75dB | |||

上一篇:MR 130莱柯机器人
下一篇:MR 500莱柯机器人